0510-83195050
138-1202-9396

銷售熱線:0510-83195050
聯(lián)系電話:138-1202-9396
公司傳真:86-0510-82621668
公司郵箱:jdls2001@163.com
公司地址:無錫興源北路638#401
工廠地址:無錫市惠山區(qū)石塘灣工業(yè)園振石路石旺路9號

| 粗濾(單臺并聯(lián)) | 進水SS≤100mg/L,出水SS≤10mg/L,10微米粒徑去除率≥95% |
| 精濾(單臺并聯(lián)) | 進水SS≤20mg/L,出水SS≤2mg/L,5微米粒徑去除率≥96% |
| 二級串聯(lián) | 進水SS≤100mg/L,出水SS≤2mg/L,5微米粒徑去除率≥96% |
| 截污容量 | 6-20kg/m2 |

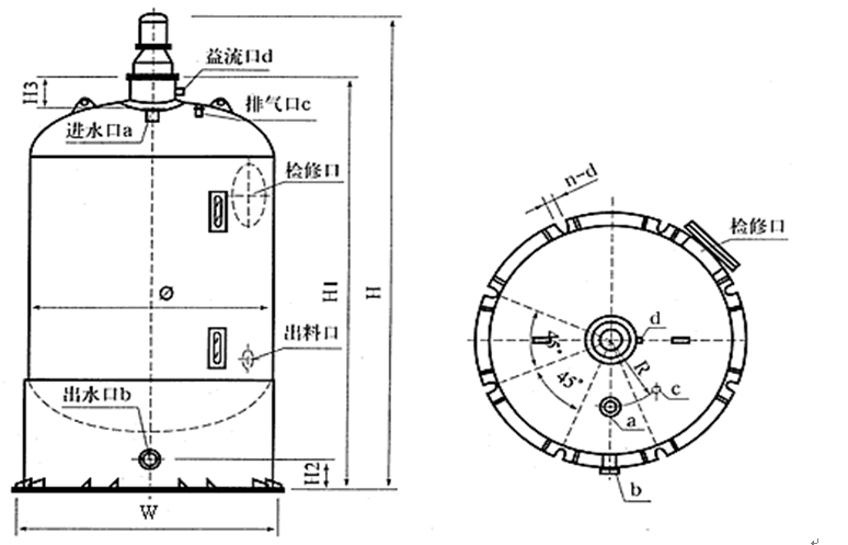
| 型 號 |
罐體尺寸 φ×H (mm) |
處理流量 (m3/h) |
功率 (KW) |
接口尺寸(mm) | ||
|
過濾進水 反洗出水 |
過濾進水 反洗出水 |
排氣口 | ||||
| JD-XWQ400 | φ400×2500 | ~3.7 | 1.5 | DN40 | DN40 | DN25 |
| JD-XWQ600 | φ600×3000 | ~8 | 2 | DN40 | DN40 | DN25 |
| JD-XWQ800 | φ800×3597 | ~15 | 4 | DN50 | DN50 | DN32 |
| JD-XWQ1000 | φ1000×3764 | ~20 | 4 | DN65 | DN65 | DN32 |
| JD-XWQ1200 | φ1200×4098 | ~30 | 4 | DN80 | DN80 | DN32 |
| JD-XWQ1500 | φ1500×4210 | ~52 | 5.5 | DN80 | DN80 | DN32 |
| JD-XWQ1600 | φ1600×4364 | ~60 | 7.5 | DN100 | DN100 | DN32 |
| JD-XWQ1800 | φ1800×4450 | ~76 | 7.5 | DN100 | DN100 | DN32 |
| JD-XWQ2000 | φ2000×4629 | ~90 | 11 | DN100 | DN100 | DN32 |
| JD-XWQ2200 | φ2200×4800 | ~113 | 11 | DN125 | DN125 | DN40 |
| JD-XWQ2400 | φ2400×5137 | ~130 | 15 | DN125 | DN125 | DN40 |
| JD-XWQ2500 | φ2500×5100 | ~147 | 15 | DN125 | DN125 | DN40 |
| JD-XWQ2600 | φ2600×5282 | ~160 | 15 | DN125 | DN125 | DN40 |
| JD-XWQ2800 | φ2800×5407 | ~180 | 18.5 | DN150 | DN150 | DN40 |
| JD-XWQ3000 | φ2800×5507 | ~210 | 18.5 | DN150 | DN150 | DN40 |
| JD-XWQ3200 | φ3200×5507 | ~241 | 22 | DN200 | DN200 | DN40 |
| JD-XWQ3600 | φ3600×5507 | ~305 | 30 | DN200 | DN200 | DN40 |
上一篇:沒有了
下一篇:沒有了
咨詢熱線:86-0510-83252061 83252063
銷售熱線:86-0510-83195050 83192099
公司傳真:86-0510-82621668
公司網址:www.jdls2001.com
公司郵箱:jdls2001@163.com
公司地址:無錫市興源北路638號401
工廠地址:無錫市惠山區(qū)石塘灣工業(yè)園振石路石旺路9號
掃一掃,關注我們